Двигатели АИР100L6 2.2 кВт 1000 об/мин с короткозамкнутым ротором
Двигатель АИР100L6 позволяет преобразовывать электрическую энергию в механическое движение. Такие устройства активно используются в производственных областях с целью корректной комплектации общих приводных систем и поддержание их долговечной и надежной работы в продолжительном режиме. Такие устройства легко совместимы с большинством механических преобразователей и могут иметь три исполнения по типу монтажа: лапы, фланец, комбинированный тип.
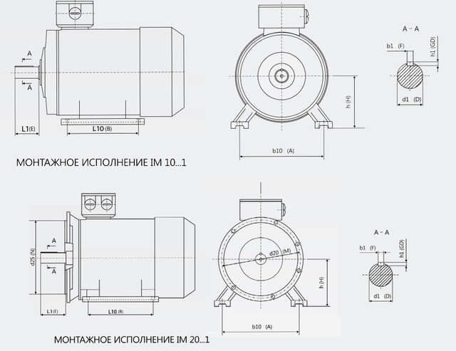
Конструкция двигателя АИР

Компания «Прометей» предлагает вам купить двигатель АИР с частотой вращения 1000 об/мин на выгодных условиях:
- Достойная и конкурентная цена на двигатель асинхронный в Украине.
- Возможность выбрать требуемое исполнение.
- Полная профессиональная консультация специалиста.
- Отправка по стране в любой населенный пункт.
- Гарантия - 12 месяцев.
Основные технические характеристики АИР100L6
|
Мощность |
2,2 кВт |
|
Частота вращения ротора |
1000 об/мин |
|
Напряжение сети |
220В (220/380) |
|
Номинальный ток |
5,9 А |
|
Частота сети |
50 Гц |
|
Число полюсов |
6 |
|
Степень защиты |
IP55 |
|
Изоляция класса нагревостойкости |
F(155°C) |
|
Климатическое исполнение |
У2 |
|
Режим работы |
S1 (продолжительный) |
|
Масса |
38 кг |
Основные параметры двигателя при исполнении IM1081, IM2081
|
Высота оси вращения |
h, мм |
100 |
|
Диаметр вала |
d1, мм |
28 |
|
Длина вала |
L1, мм |
60 |
|
Расстояние между крепежными отверстиями на лапе |
L10, мм |
140 |
|
Расстояние между крепежными отверстиями между лапами |
b10, мм |
160 |
|
Межосевое расстояние между креплениями на фланце |
d20, мм |
215 |
|
Размер замка на фланце |
d25, мм |
180 |
|
Высота шпонки |
h1, мм |
7 |
|
Ширина шпонки |
b1, мм |
8 |
Пример условного обозначения

Электродвигун АИР100L6
Нет вопросов о данном товаре, станьте первым и задайте свой вопрос.